访问量: 8481653   网址: turck.chinadbs.com    在线留言  加入收藏
用于传感器和执行器的附件 B8281-0
用于传感器和执行器的附件 B8281-0图片
货号:6934339
产地:美国
EAN码:4047101357554
eCl@ss-Code (V5.1.4):27279201 -/- 连接(附件传感器)
关税编号:85366930000
索取资料及报价
产品介绍

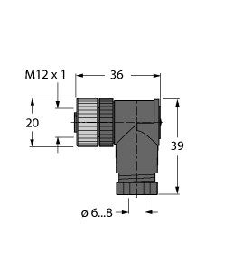
用于传感器和执行器的附件

现场接线型接插件

母头接插件,M12 × 1,弯型

订货号: 6934339

  • A编码
  • 金属耦合螺纹
  • 接线端子
  • 8芯
  • PG9螺纹
  • 电缆穿墙护孔6.0…8.0 mm

技术数据:

重量30 g
机械连接M12 × 1
针脚数量8
设计弯角
类型母头接插件
连接方式螺钉式端子连接
连接螺母GD-Zn
插头外壳PA
最大横截面连接0.5  mm²
额定工作电压60
电流2
相关产品
我要咨询关闭
  • 姓名* 
  • 电话* 
  • 单位* 
  • email*
  • 留言内容:*
  • 验证码*  
  • 让更多商家关注