访问量: 9799606   网址: turck.chinadbs.com    在线留言  加入收藏
电感式传感器 SI2-K08-Y1
电感式传感器 SI2-K08-Y1图片
货号:1007700
产地:瑞士
EAN码:4047101144932
eCl@ss-Code (V5.1.4):27270101 -/- 电感式接近开关
关税编号:85365019900
索取资料及报价
产品介绍

电感式传感器

槽型

订货号: 1007700

  • 槽型传感器,宽度8 mm
  • 塑料,聚丙烯
  • 机械快插头用于快速连接模拟量输出仪表
  • 2线直流,标称值8.2 VDC
  • 输出遵循DIN EN 60947-5-6 (NAMUR)标准
  • 绞线连接,大部分为护套

技术数据:

重量17 g
设计槽型传感器
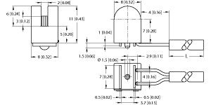
结构尺寸11 x 15 x 8 mm, K08
槽宽2 mm
输出性能NAMUR
电气连接绞线
线缆长度0.50  m
外壳材料塑料
外壳材料PP
最低环境温度-25
最高环境温度70
防护等级IP67
认证ATEX防爆认证,Ⅱ组设备,应用于气体防爆危险0区,
ATEX防爆认证,Ⅱ组设备,应用于气体防爆危险1区,
ATEX防爆认证,Ⅱ组设备,应用于气体防爆危险2区,
ATEX防爆认证,Ⅱ组设备,应用于粉尘防爆危险0区,
ATEX防爆认证,Ⅱ组设备,应用于粉尘防爆危险1区,
ATEX防爆认证,Ⅱ组设备,应用于粉尘防爆危险2区, SIL2, PLc
相关产品
我要咨询关闭
  • 姓名* 
  • 电话* 
  • 单位* 
  • email*
  • 留言内容:*
  • 验证码*  
  • 让更多商家关注