访问量: 9800380   网址: turck.chinadbs.com    在线留言  加入收藏
电感式传感器 NI4-DS20-2AP6X2-H1141
电感式传感器 NI4-DS20-2AP6X2-H1141图片
货号:1650020
产地:德国
EAN码:4047101081664
eCl@ss-Code (V5.1.4):27270101 -/- 电感式接近开关
关税编号:85365019900
索取资料及报价
产品介绍

电感式传感器

用于旋转执行器的双感应面传感器

订货号: 1650020

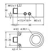
  • 长方形,外壳类型DS20
  • 塑料, PBT‐GF30‐V0
  • 检测旋转执行器位置两路输出
  • 在标准执行器上安装
  • 2 x 常开,pnp输出
  • 4线直流, 10…30 VDC

技术数据:

重量51 g
设计用于旋转执行器的双感应面传感器
结构尺寸42 x 45 x 20 mm, DS20
额定开关距离4 mm
安装方式非齐平
工作电压10…30 VDC
开关元件功能常开触点
输出性能PNP
电气连接接插件
接插件型号M12 × 1
外壳材料塑料
外壳材料PBT-GF30-V0
最低环境温度-25
最高环境温度70
防护等级IP67
相关产品
我要咨询关闭
  • 姓名* 
  • 电话* 
  • 单位* 
  • email*
  • 留言内容:*
  • 验证码*  
  • 让更多商家关注