访问量: 9722260   网址: turck.chinadbs.com    在线留言  加入收藏
压力变送器 PT600R-2103-I2-KO28A2
压力变送器 PT600R-2103-I2-KO28A2图片
货号:100003575
产地:瑞士
eCl@ss-Code (V5.1.4):27200614 -/-压力传感器
关税编号:90262020000
索取资料及报价
产品介绍

压力变送器

电流输出(2线)

订货号: 100003575

  • 用于移动液压应用
  • 全焊接金属测量元件
  • 非密封
  • 带压力端孔
  • 设计紧凑坚固
  • 出色的EMC特性
  • **的精度和长期稳定性
  • Kfz-Norm ISO 16750
  • 压力范围0…600 bar(相对值)
  • 7.5…33 VDC
  • 模拟量输出4…20 mA
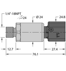
  • 采用1/4"-18 NPT外螺纹的工艺连接件
  • 插入式器件,Kostal SLK 2.8 A编码

技术数据:

重量90 g
设计不带显示
过程连接1/4” NPT-18外螺纹
压力类型相对压力
相对压力(最小)0
相对压力(最大)600
工作范围0
工作范围8702.26
工作电压7.5…33 VDC
电气输出电流模拟量输出(2线)
输出电流1(最小值)4
输出电流2(最大值)20
电气连接接插件
接插件型号Kostal SLK 2.8 A码
外壳材料不锈钢/塑料
外壳材料1.4404 (AISI 316L)/聚丙烯酰胺50 % GF UL 94 V-0
压力传感器材质不锈钢1.4404(AISI 316L)
介质温度(最低)-40
介质温度(最高)125
最低环境温度-40
最高环境温度100
防护等级IP69K
相关产品
我要咨询关闭
  • 姓名* 
  • 电话* 
  • 单位* 
  • email*
  • 留言内容:*
  • 验证码*  
  • 让更多商家关注