图尔克(TURCK)传感器
访问量: 9955150 网址:
turck.chinadbs.com
在线留言
加入收藏
首页
产品中心
公司动态
技术文章
荣誉资质
资料下载
人才招聘
采购信息
联系我们
首页
>>
产品中心
玻璃光纤 T-IAT23S
货号:
7700801
产地:
美国
EAN码:
662488008017
eCl@ss-Code (V5.1.4):
27061090 -/- 预制光纤(不分类)
关税编号:
90011090900
索取资料及报价
产品介绍
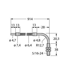
玻璃光纤
单根导体
订货号:
7700801
工作模式:对射式传感器
柔性不锈钢外皮
工作温度:-140…+249 °C
传感器套管,直角(90°),螺纹
光纤,弯曲直径:3.2 mm
技术数据:
重量
1 g
高级搜索
玻璃光纤 - 单根光纤
外壳材料
不锈钢型
最低环境温度
-140
最高环境温度
249
相关产品
玻璃光纤 T-IA23S
玻璃光纤 T-IT23S
玻璃光纤 T-ITA23S
玻璃光纤 T-IT26S
玻璃光纤 T-IR23S
玻璃光纤 T-IAT26S
我要咨询
我已留言!
我要咨询
关闭
姓名
*
电话
*
单位
*
email
*
留言内容:
*
我对您的玻璃光纤 T-IAT23S产品感兴趣,请发具体的信息及报价,谢谢!
验证码
*
让更多商家关注