访问量: 9766245   网址: turck.chinadbs.com    在线留言  加入收藏
电感式传感器 BI1-EH04K-AP6X
电感式传感器 BI1-EH04K-AP6X图片
货号:4609767
产地:斯里兰卡
EAN码:4047101299489
eCl@ss-Code (V5.1.4):27270101 -/- 电感式接近开关
关税编号:85365019900
索取资料及报价
产品介绍

电感式传感器

订货号: 4609767

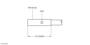
  • 光滑圆柱,Ø 4 mm
  • 不锈钢1.4305 (AISI 303)
  • 3线直流, 10…30 VDC
  • 常开触点,PNP输出
  • 线缆连接

技术数据:

重量29 g
设计光滑圆柱
结构尺寸Ø 4mm
额定开关距离1 mm
安装方式齐平
工作电压10…30 VDC
开关元件功能常开触点
输出性能PNP
电气连接线缆
线缆长度2.0  m
外壳材料不锈钢型
外壳材料1.4305 (AISI 303)
最低环境温度-25
最高环境温度70
防护等级IP67
相关产品
我要咨询关闭
  • 姓名* 
  • 电话* 
  • 单位* 
  • email*
  • 留言内容:*
  • 验证码*  
  • 让更多商家关注