访问量: 9936549   网址: turck.chinadbs.com    在线留言  加入收藏
针脚4传感器输出 DW6000-155-PA-H1441
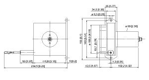
针脚4传感器输出 DW6000-155-PA-H1441图片
货号:1544551
产地:德国
EAN码:4047101256963
eCl@ss-Code (V5.1.4):27270790 -/- 传感器长度、路径(未分类)
关税编号:90318020000
索取资料及报价
产品介绍

针脚4传感器输出

订货号: 1544551

  • 检测距离至6,000mm
  • M12接插件
  • 防护等级:IP65(编码器)
  • 电位计输出1k Ohm
  • 供电电压10…30 VDC

技术数据:

重量2129 g
设计拉丝
测量范围6000 mm [236.22 in]
工作电压0…30 VDC
输出性能电位计
电气连接接插件
接插件型号M12 × 1
外壳材料镀钽铝
最低环境温度-20
最高环境温度85
防护等级IP65
相关产品
我要咨询关闭
  • 姓名* 
  • 电话* 
  • 单位* 
  • email*
  • 留言内容:*
  • 验证码*  
  • 让更多商家关注