图尔克(TURCK)传感器
访问量: 10999957 网址:
turck.chinadbs.com
在线留言
加入收藏
首页
产品中心
公司动态
技术文章
荣誉资质
资料下载
人才招聘
采购信息
联系我们
首页
>>
产品中心
现场总线系统的附件 RSFV 48
货号:
U7895
产地:
美国
EAN码:
4047101040418
eCl@ss-Code (V5.1.4):
27250314 -/- 连接技术
关税编号:
85444290900
留言咨询
产品介绍
现场总线系统的附件
法兰
订货号:
U7895
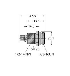
1/2" 14 NPT 旋入式螺纹
不锈钢法兰外壳
4针 可焊接
用于 PROFIBUS-PA 应用
技术数据:
重量
54 g
应用
总线
机械连接
7/8”-16 UN
针脚数量
4
类型
公头
联轴节壳体 A 材料
不锈钢
Screw-in thread
1/2″-14 NPT
网络协议
PROFIBUS-PA
额定工作电压
600 V
电流
9 A
相关产品
现场总线系统的附件 RKFV 48
执行器和传感器电缆 / PVC PSW3M-2/TEG
执行器和传感器电缆 / PVC PSW3M-10/TEG
执行器和传感器电缆 / PVC PSG3M-5/TEG
执行器和传感器电缆 / PVC PKW3M-0.3-PSG3M/TEG
执行器和传感器电缆 / PVC PSG3M-10/TEG
我要咨询
我已留言!
我要咨询
关闭
姓名
*
电话
*
单位
*
email
*
留言内容:
*
我对您的现场总线系统的附件 RSFV 48产品感兴趣,请发具体的信息及报价,谢谢!
验证码
*
让更多商家关注