访问量: 9980711   网址: turck.chinadbs.com    在线留言  加入收藏
工业用以太网线 RJ45S FSSD 841-0.5M
工业用以太网线 RJ45S FSSD 841-0.5M图片
货号:U8642-05
产地:墨西哥
EAN码:4047101036015
eCl@ss-Code (V5.1.4):27060307 -/- 总线线缆
关税编号:85444290900
索取资料及报价
产品介绍

工业用以太网线

TPE电缆护套

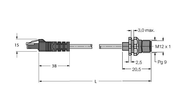
订货号: U8642-05

  • RJ45公头接插件,直式,8针
  • M12公头法兰,8针
  • 背板安装,第9页
  • 电缆长度:0.5 m

技术数据:

重量70 g
应用总线
机械连接RJ45
线芯数量8
针脚数量8
设计直式
类型接插件
Screw-in threadPG9
机械连接M12 × 1
设计直式
设计公头法兰式接插件
网络协议Ethernet
额定工作电压42 V
电流1.5 A
线缆材质TPE
彩色导线绿
认证UL
线缆长度0.50  m
相关产品
我要咨询关闭
  • 姓名* 
  • 电话* 
  • 单位* 
  • email*
  • 留言内容:*
  • 验证码*  
  • 让更多商家关注