访问量: 9294525   网址: turck.chinadbs.com    在线留言  加入收藏
温度检测 TP-504A-DN25K-H1141-L035
温度检测 TP-504A-DN25K-H1141-L035图片
货号:9910431
产地:意大利
eCl@ss-Code (V5.1.4):27200208 -/- 电气测量完成温度检测
关税编号:85389099990
索取资料及报价
产品介绍

温度检测

探头

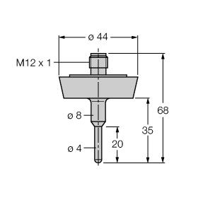
订货号: 9910431

  • 符合DIN EN 60751标准的Pt-100探头
  • 防震动及冲击
  • 可连接到 TS, TTM, IM34, BL20, BL67
  • 连接器最大温度:120°C
  • 4线制连接
  • 基于DIN 11851的标准DN25过程连接

技术数据:

重量146 g
检测类型与介质接触
设计温度探头
测量范围(最小值)-50
测量范围(最大值)120
浸入深度(L)35  mm
过程连接螺纹管道连接 DIN11851
电气输出阻抗
电气连接接插件
接插件型号M12 × 1
外壳材料不锈钢型
外壳材料1.4404 (AISI 316L)
最低环境温度-40
最高环境温度120
防护等级IP67
相关产品
我要咨询关闭
  • 姓名* 
  • 电话* 
  • 单位* 
  • email*
  • 留言内容:*
  • 验证码*  
  • 让更多商家关注