访问量: 8480192   网址: turck.chinadbs.com    在线留言  加入收藏
附件 TN-UHF-ANT-Q190-EU
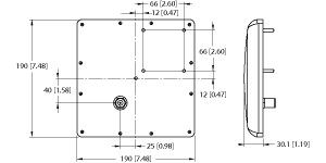
附件 TN-UHF-ANT-Q190-EU图片
货号:100003863
产地:冰岛
EAN码:4047101488487
eCl@ss-Code (V5.1.4):27280401 -/- 射频识别系统 RFID
关税编号:84719000000
索取资料及报价
产品介绍

附件

外接无源UHF天线

订货号: 100003863

  • 方型,高190 mm
  • 无源UHF天线
  • 极化环形
  • 在欧盟(EU),设备只适合在865…868 MHz范围内运行

技术数据:

重量647 g
使用适用于读/写头
使用区域(UHF)欧洲、印度、土耳其(865…868 MHz)
外壳长度190
外壳宽度190
外壳高度30
最低环境温度-55
最高环境温度70
防护等级IP67
相关产品
我要咨询关闭
  • 姓名* 
  • 电话* 
  • 单位* 
  • email*
  • 留言内容:*
  • 验证码*  
  • 让更多商家关注