访问量: 8482873   网址: turck.chinadbs.com    在线留言  加入收藏
附件 MF-CK40-1S
附件 MF-CK40-1S图片
货号:6900481
产地:德国
EAN码:4047101246285
eCl@ss-Code (V5.1.4):27279201 -/- 连接(附件传感器)
关税编号:90269000000
索取资料及报价
产品介绍

附件

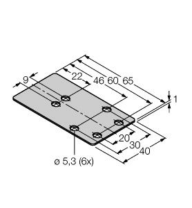
保护框架

订货号: 6900481

  • 保护框架(单侧)

技术数据:

重量20 g
使用适用于读/写头
外壳长度65
外壳宽度40
外壳高度1
相关产品
我要咨询关闭
  • 姓名* 
  • 电话* 
  • 单位* 
  • email*
  • 留言内容:*
  • 验证码*  
  • 让更多商家关注